Главная
Разработки
Информация
Контакты
Механизмы:
►
выкатные
►
трансформации
►
подъёма
►
каркасы
Опоры колесные
3ацепы, замки
Кронштейны
Петли и планки
Уголки и упоры
Трубы и штанги
Оконная фурнитура
Вытяжки
Разное
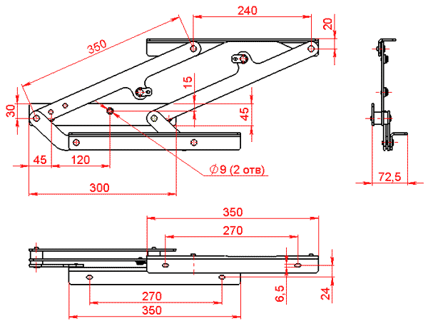
КБМ-01.030
Механизм
"Депо" ("Пума")
<< назад <<