КБ Металлоконструкций
Главная Разработки Информация Контакты

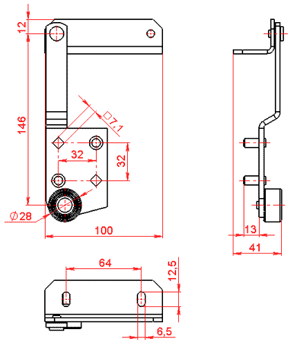
КБМ-01.034

Механизм подъема

КБМ-01.034.00 – гальванированный
КБМ-01.034.01 – с обратным уголком
КБМ-01.034.02 – с резиновым колесом