Главная
Разработки
Информация
Контакты
Механизмы
Опоры колесные
3ацепы, замки
Рамы, кронштейны
Петли и планки
Уголки и упоры
Трубы и штанги
Оконная фурнитура
Вытяжки
Разное
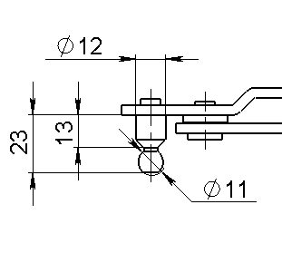
КБМ-01.099
Механизм
МПС03С (шаровые оси)
с осями для крепления газлифтов с накидными зацепами.
<< назад <<