Главная
Разработки
Информация
Контакты
Механизмы
Опоры колесные
3ацепы, замки
Рамы, кронштейны
Петли и планки
Уголки и упоры
Трубы и штанги
Оконная фурнитура
Вытяжки
Разное
КБМ-02.001
КБМ-02.001
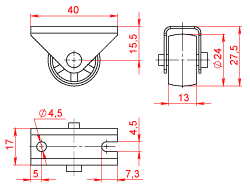
Ролик 751 002 (24х13) с пластмассовым колесом
<< назад <<