КБ Металлоконструкций
Главная Разработки Информация Контакты

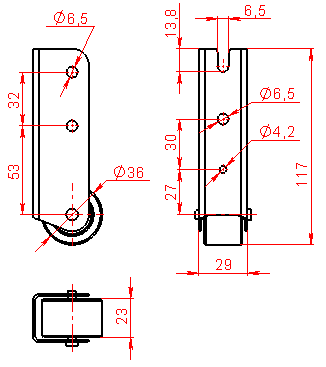
КБМ-02.004

КБМ-02.004.01 Ролик 751 011 с пластмассовым колесом,
КБМ-02.004.02 Ролик 751 011 с эластроновым колесом

 

<< назад <<