Главная
Разработки
Информация
Контакты
Механизмы
Опоры колесные
3ацепы, замки
Рамы, кронштейны
Петли и планки
Уголки и упоры
Трубы и штанги
Оконная фурнитура
Вытяжки
Разное
КБМ-02.006
КБМ-02.006.00
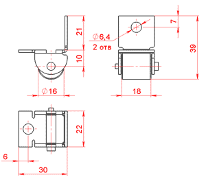
Ролик 751 013 с пластмассовым колесом
<< назад <<