КБ Металлоконструкций
Главная Разработки Информация Контакты

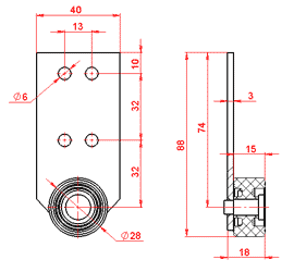
КБМ-02.010

КБМ-02.010.01 Ролик 751 035 с пластмассовым колесом
КБМ-02.010.02 Ролик 751 035 с эластроновым колесом

<< назад <<