Главная
Разработки
Информация
Контакты
Механизмы
Опоры колесные
3ацепы, замки
Рамы, кронштейны
Петли и планки
Уголки и упоры
Трубы и штанги
Оконная фурнитура
Вытяжки
Разное
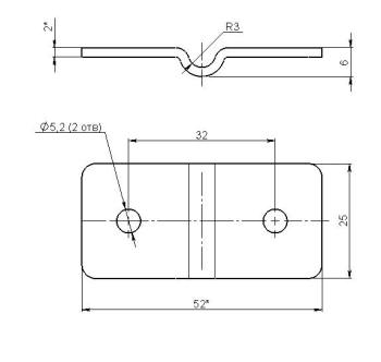
КБМ-03.038
Прижим МН051
<< назад <<