Главная
Разработки
Информация
Контакты
Механизмы
Опоры колесные
3ацепы, замки
Рамы, кронштейны
Петли и планки
Уголки и упоры
Трубы и штанги
Вытяжки
Разное
КБМ-06.001
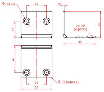
Угловая стяжка
МС 003 01 00
<< назад <<