Главная
Разработки
Информация
Контакты
Механизмы
Опоры колесные
3ацепы, замки
Рамы, кронштейны
Петли и планки
Уголки и упоры
Трубы и штанги
Вытяжки
Разное
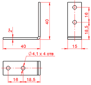
КБМ-06.007.04
Уголок
К1
<< назад <<