Главная
Разработки
Информация
Контакты
Механизмы
Опоры колесные
3ацепы, замки
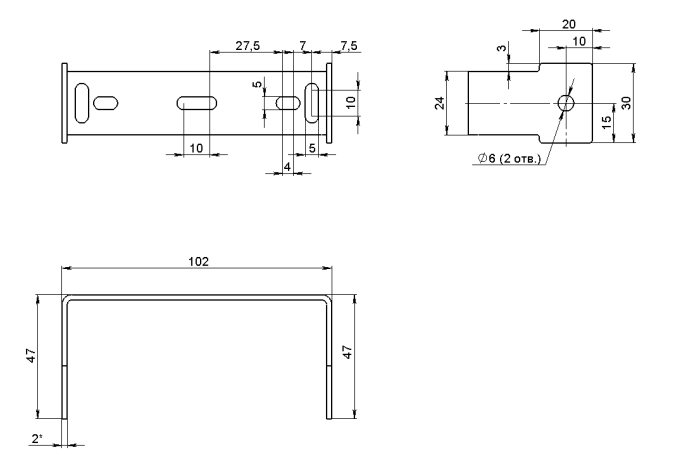
Рамы, кронштейны
Петли и планки
Уголки и упоры
Трубы и штанги
Оконная фурнитура
Вытяжки
Разное
КБМ-06.060
Уголок
<< назад <<