Главная
Разработки
Информация
Контакты
Механизмы
Опоры колесные
3ацепы, замки
Рамы, кронштейны
Петли и планки
Уголки и упоры
Трубы и штанги
Вытяжки
Разное
КБМ-07.041
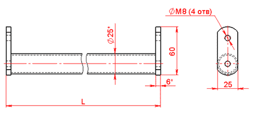
Штанга
Наименование
Длина штанги L
КБМ 07-004
1900 мм
МВ 013-01-01
КБМ 07-041
1145 мм
МВ 011-01
<< назад <<