Главная
Разработки
Информация
Контакты
Механизмы
Опоры колесные
3ацепы, замки
Рамы, кронштейны
Петли и планки
Уголки и упоры
Трубы и штанги
Вытяжки
Разное
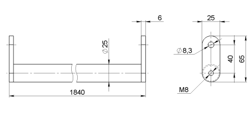
КБМ-07.042
Штанга
МВ040
Наименование
Длина штанги L
КБМ 07-042
1440 мм
МВ 040
КБМ 07-043
1840 мм
МВ 040
<< назад <<