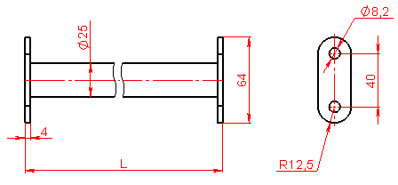
КБМ-07.044
Штанга МС016


| Наименование | Длина трубы L | |
| КБМ 07-044-00 | 1268 мм | МC 016-00 |
| КБМ 07-044-01 | 1398 мм | МC 016-01 |
| КБМ 07-044-02 | 1438 мм | МC 016-02 |
| КБМ 07-044-03 | 1960 мм | МC 016-03 |
| КБМ 07-044-04 | 1975 мм | МC 016-04 |
| ||||||||||||||||||||||
КБМ-07.044Штанга МС016
|