Главная
Разработки
Информация
Контакты
Механизмы
Опоры колесные
3ацепы, замки
Рамы, кронштейны
Петли и планки
Уголки и упоры
Трубы и штанги
Оконная фурнитура
Вытяжки
Разное
КБМ-10.035
Комплект для вытяжки
«Пента»
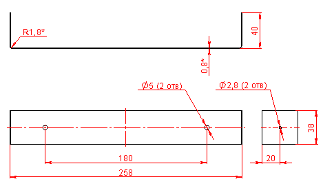
Кожух:
Пластина задняя:
Кожух верхний:
Пластина нижняя:
Скоба:
<< назад <<