Лазерная резка
Оценка работы по лазерной резке металла при заказе от 1500 метров реза:
|
Чёрн.металл |
||||||||||
| толщина листа, мм | до 1 | 1.5 | 2 | 3 | 4 | 6 | 8 | 10 | 12 | 16 |
| за метр реза | 15 | 18.4 | 22 | 30 | 46 | 69 | 80.5 | 161 | 218.5 | 322 |
| цена врезки | 2.3 | 2.3 | 2.3 | 2.3 | 3.45 | 3.45 | 4.60 | 5.75 | 6.9 | 9.20 |
|
Нерж.металл без покрытия |
||||||||||
| толщина листа, мм | до 1 | 1,5 | 2 | 3 | 4 | 5 | 6 | 8 | 10 | 12 |
| за метр реза | 27.6 | 30 | 32 | 57.5 | 86.25 | 115 | 149.5 | 186.30 | 197.80 | 310.5 |
| цена врезки | 2.3 | 2.3 | 2.3 | 2.3 | 3.4 | 4.6 | 5.75 | 7.1 | 7.1 | 17.3 |
|
Нерж.металл с покрытием |
||||||||||
| толщина листа, мм | до 1 | 1,5 | 2 | 3 | 4 | 5 | 6 | 8 | 10 | 12 |
| за метр реза | 47 | 50.8 | 54.8 | 97.8 | 146,62 | 195,5 | 254.15 | 316,7 | 336.3 | 527.8 |
| цена врезки | 3.9 | 3.9 | 3.9 | 3.9 | 5.8 | 7.8 | 9.8 | 12,1 | 12.1 | 29.3 |
|
Алюминий |
||||||||||
| толщина листа, мм | до 1 | 1,5 | 2 | 3 | 4 | 5 | 6 | 8 | 10 | 12 |
| за метр реза | 55.2 | 60 | 64.4 | 115 | 172.5 | 230 | 299 | 372.7 | 395.6 | 621 |
| цена врезки | 4.6 | 4.6 | 4.6 | 4.6 | 7 | 9.2 | 11.5 | 14.2 | 14.2 | 34.5 |
В стоимость резки не включена цена материала. Если работа выполняется на материале заказчика, поставляемые листы должны быть ровными и чистыми, без ржавчины.
Заказ на лазерную резку необходимо сопроводить контуром детали и чертежом. Контур детали должен быть выполнен в масштабе 1:1 в формате dxf (AutoCAD, SolidWorks, Kompas). В файле контура недопустимо нанесение размеров, осевых линий и линий гибов, рамок и другой информации, не относящейся к контуру детали.
Чертёж детали требуется для сверки верности контура при выполнении резки на лазерном станке. Чертёж может быть выполнен в формате jpeg или pdf.
Создание контура детали по чертежу – от 500 р. за деталь.
Обращаем внимание, что от полноты и правильности представленного материала зависит скорость и качество выполнения Вашего заказа.
Пример расчёта стоимости работы
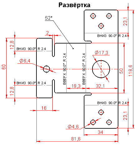
Для примера возьмём развёртку детали из листа толщиной 2 мм:

Необходимо создать контур в формате dxf:

Необходимо замерить длину контура, включая отверстия:

Получаем длину реза 651 мм и 9 врезок (контур + 8 отверстий).
По первой таблице получаем стоимость реза одной детали 0,651 х 22 + 9 х 2.3 = 35
рублей – при заказе от 2300 деталей.